您现在所在的位置 : 首页 > 政务公开 > 网站工作年度报表
分享到:
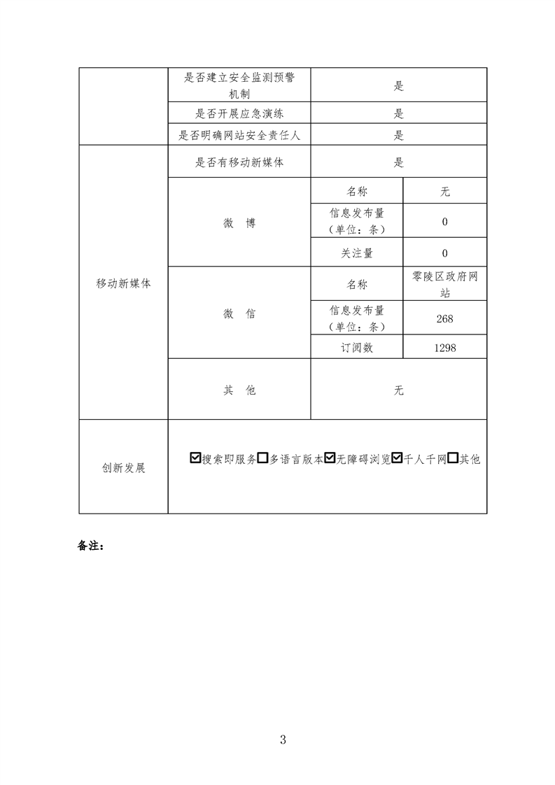
2024年零陵区政府网站工作年度报表
2025-01-15 17:11 来源: 零陵区 发布机构: 零陵区 【字体:   打印



扫一扫在手机打开当前页

主办单位:永州市零陵区人民政府办公室  承办单位:零陵区数据局
网站标识码:4311020009   版权所有:永州市零陵区人民政府门户网站
备案号:湘ICP备11003146号-1  湘公安网备43110202000118
E-mail:linglingzwzx@163.com  网站地图  联系我们
联系电话:0746-6332117(受理网站建设维护,报错和不良信息举报等相关事宜)

  • 监督一点通
  • 三湘e监督
  • 湘易办(安卓)
  • 湖南省政府网